LZW20-10电流互感器

    型号含义

    25-1.jpg


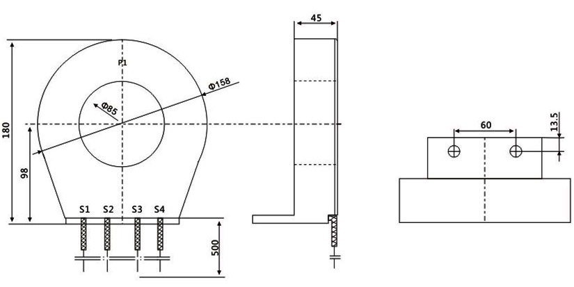
    外形及安装尺寸图

    25-3.jpg

    25-2.jpg

    注:1,可根据用户需求制作特殊规格或高精度产品。

    2,该电流互感器在使用过程中只能使用其中一个变比,几个变比不能同时使用。

    3.该型电流互感器为我公司力电力系统智能化,轻量化,特殊研制的新型专利产品。体积小,重量轻,组合非常合理。可实现A、B、C三相保护及零序接地保护。


联系方式

地址:浙江省温州市乐清市乐清经济开发区经三路68号

销售一部:王义茗 15058771191

销售二部:丁广远 18815137111

邮箱:249295722@qq.com

网址:xhkji.com

Copyright ©2016 浙江湘互科技有限公司版权所有 All Rights Reserved 浙ICP备19036360号-1

网站二维码

“扫描二维码”

微信公众号

“扫描二维码”

销售一部

王义茗 15058771191

销售二部

丁广远 18815137111