LSY3-10/127 三相一体型电流互感器

    型号含义

    blob.png

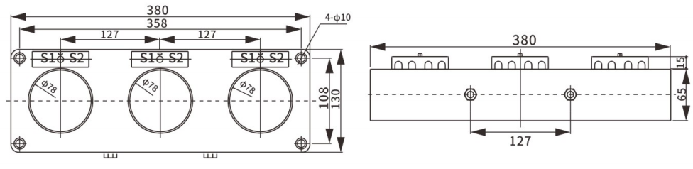
    外形及安装尺寸图

    blob.png

    额定电流比、准确级及其额定负载如下所示,额定二次电流5A或1A。

    blob.png

    注:不锈钢弹簧卡根据用户要求定制

联系方式

地址:浙江省温州市乐清市乐清经济开发区经三路68号

销售一部:王义茗 15058771191

销售二部:丁广远 18815137111

邮箱:249295722@qq.com

网址:xhkji.com

Copyright ©2016 浙江湘互科技有限公司版权所有 All Rights Reserved 浙ICP备19036360号-1

网站二维码

“扫描二维码”

微信公众号

“扫描二维码”

销售一部

王义茗 15058771191

销售二部

丁广远 18815137111